Категории
Новости
Чем отличаются однополюсные и двухполюсные автоматы?

Введение В электрическом щитке между этажами используется обычно однополюсный и двухполюсный автомат, с...

Читать новость →
Всё о стабилизаторах напряжения и как их выбрать

Что такое стабилизатора напряжения Фото установленного стабилизатора Годы проживания в частном...

Читать новость →
Что такое УЗО и как оно работает?

Жизнь и здоровье человека – одно из основных мер в системе электробезопасности. Наука давно шагнула вперед, чтобы...

Читать новость →

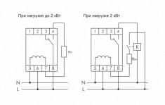
Ограничители мощности

Цена:
6 340
В наличии
- +
Цена:
5 691
В наличии
- +
Цена:
4 330
В наличии
- +
Цена:
3 100
В наличии
- +
Цена:
11 520
В наличии
- +
Цена:
12 350
В наличии
- +
Цена:
11 520
В наличии
- +
0