Категории
Новости
Чем отличаются однополюсные и двухполюсные автоматы?

Введение В электрическом щитке между этажами используется обычно однополюсный и двухполюсный автомат, с...

Читать новость →
Всё о стабилизаторах напряжения и как их выбрать

Что такое стабилизатора напряжения Фото установленного стабилизатора Годы проживания в частном...

Читать новость →
Что такое УЗО и как оно работает?

Жизнь и здоровье человека – одно из основных мер в системе электробезопасности. Наука давно шагнула вперед, чтобы...

Читать новость →

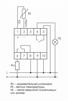
Цифровые многофункциональные регуляторы температуры

Цена:
10 310
В наличии
- +
Цена:
9 120
В наличии
- +
Цена:
12 230
В наличии
- +
Цена:
4 520
В наличии
- +
Цена:
3 760
В наличии
- +
Цена:
8 420
В наличии
- +
Цена:
7 040
В наличии
- +
Цена:
5 310
В наличии
- +
0