Категории
Новости
Чем отличаются однополюсные и двухполюсные автоматы?

Введение В электрическом щитке между этажами используется обычно однополюсный и двухполюсный автомат, с...

Читать новость →
Всё о стабилизаторах напряжения и как их выбрать

Что такое стабилизатора напряжения Фото установленного стабилизатора Годы проживания в частном...

Читать новость →
Что такое УЗО и как оно работает?

Жизнь и здоровье человека – одно из основных мер в системе электробезопасности. Наука давно шагнула вперед, чтобы...

Читать новость →

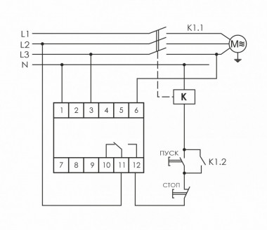
Реле контроля изоляции

Быстрый просмотр
EA05.003.001
Реле контроля изоляции RKI
Страна-производитель:
Беларусь
Производитель:
F&F
Код ETIM:
EC001444
Напряжение питания, В:
230 AC
Максимальный коммутируемый ток (AC-1), А:
16 AC-1
Цена:
2 069
В наличии
- +
0